Pomysł przeprowadzenia odbioru sygnału emitowanego przez szwedzką stację SAQ nadającą spod Geteborga pojawił się przed ponad rokiem. Gdy pierwsza próba odbioru z wykorzystaniem anteny aktywnej miniwhip zakończyła się niepowodzeniem, postanowiłem spróbować ponownie, ale tym razem wykorzystując przedwzmacniacz opisany na stronach Towarzystwa Przyjaciół Grimeton SAQ [1] w połączeniu z anteną magnetyczną. Wyniki tego eksperymentu oraz wyzwania przed jakimi stanąłem w trakcie jego realizacji opisałem w poniższym artykule. Źródłem inspiracji do ponownego zmierzenia się z problematyką odbioru sygnałów VLF (Very Low Frequencies) oraz cennych uwag w trakcie przygotowań był kolega Jacek Lipkowski, SQ5BPF. Dziękuję Jacku!
Konstrukcja Anteny
Podczas pierwszej próby odbioru sygnału SAQ posłużyłem się anteną aktywną typu miniwhip podłączoną do odbiornika RSP1A z oprogramowaniem SDRUno [3] konstrukcja tej anteny została opisana w [2], w moim przypadku poziom zakłóceń całkowicie uniemożliwił odbiór sygnałów SAQ czy DCF-77. Dodawanie tłumików prądów błądzących czy poprawa jakości uziemienia stacji odbiorczej nie przyniosły znaczącej poprawy.
Śledząc tematykę odbioru sygnałów VLF można zauważyć, że najbardziej popularnymi typami anten dla tych długości fal są anteny pętlowe [7][15] i miniwhip [2]. Antena pętlowa reaguje na składową magnetyczną fali radiowej co czyni ją bardziej odporną na zakłócenia przemysłowe, ponadto antena pętlowa cechuje się dużą kierunkowością co pomaga w dalszym zminimalizowaniu zakłóceń przez właściwą orientację anteny względem źródła niepożądanej emisji. Antena typu miniwhip, wykorzystana podczas nieudanej próby, reaguje na składową elektryczną pola elektromagnetycznego, w związku z czym charakteryzuje się wysoką podatnością na zakłócenia, których źródłem mogą być m.in. pobliskie stacje transformatorowe oraz zasilacze impulsowe.
Antenę pętlową zbudowałem na ramie drewnianej w kształcie prostokąta o bokach 80 i 84cm (grubość listwy 2cm, krótszy bok zawieszony równolegle do ziemi). Uzwojenie anteny to 80 zwojów drutu o średnicy 0.2mm nawiniętego na plastikowe prowadnice [11] przymocowane do drewnianej ramy (indukcyjność: 24.7mH, rezystancja: 61 omów). Antena nie posiada kondensatora strojeniowego, ponieważ obwód rezonansowy zestrojony na częstotliwość SAQ jest częścią układu przedwzmacniacza. Wymiary anteny są znacząco mniejsze od długości fal z zakresu VLF i dlatego nie są krytyczne. Wybór długości boku został podyktowany głównie walorami praktycznymi takimi jak swoboda przemieszczania anteny.

Fot. 1. Konstrukcja mechaniczna anteny pętlowej
Należy również podkreślić, że wybór pomiędzy anteną pętlową a aktywną anteną typu miniwhip w dużej mierze zależy od warunków środowiskowych panujących w danej lokalizacji. W obszarach miejskich, charakteryzujących się podwyższonym poziomem zakłóceń, korzystniejszym rozwiązaniem jest zazwyczaj antena pętlowa. Z kolei w środowisku, gdzie poziom zakłóceń jest istotnie niższy, antena miniwhip — ze względu na wysoką czułość — może zapewniać lepsze rezultaty.
Orientacja Anteny względem radiostacji SAQ
Orientacja anteny nie wymaga specjalistycznego sprzętu i może zostać wykonana zgrubnie przy użyciu aplikacji kompasu dostępnej w telefonach komórkowych (pamiętajmy o wyborze opcji „true north” jeśli taka możliwość występuje w wybranym oprogramowaniu). W moim przypadku użyłem GPS Compass dla systemu iOS. Koordynaty lokalizacji anteny odnalazłem na stronie [12], zaś azymut na który musiałem skierować antenę odczytałem z mapy, którą można wygenerować pod adresem [13].

Fot. 2. Strona internetowa, która wylicza koordynaty lokalizacji o podanym adresie

Fot. 3. Mapa azymutów z zaznaczonym kierunkiem ustawienia anteny
W sytuacji gdy w naszej lokalizacji występuje silne źródło zakłóceń kierunkowych warto rozważyć takie ustawienie anteny, które skutkuje najwyższym współczynnikiem sygnału do szumu, co nie zawsze będzie tożsame z najwyższym poziomem odbieranego sygnału pożądanego.
Budowa przedwzmacniacza
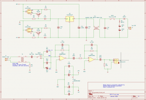
Konstrukcja przedwzmacniacza jest oparta o podwójny wzmacniacz operacyjny firmy Analog Devices AD8397 [14] i została opisana na stronach Towarzystwa Przyjaciół Grimeton SAQ [1][6].

Fot. 4. Schemat ideowy przedwzmacniacza wraz z układem monitorowania zasilania
W ramach projektu układ bazowy uzupełniono o następujące elementy:
1) Kondensatory odsprzęgające 1uF zostały zastąpione parami kondensatorów 100n oraz 10u.
2) Uzwojenie wtórne transformatora wejściowego T1 zwiększono z 90 do 100 zwojów drutu o średnicy 0,2mm.
3) Dodano wyjście SMA-C w celu łatwiejszego przyłączenia odbiornika SDR takiego jak np. RSP1A [3]. W przypadku współpracy przedwzmacniacza z odbiornikiem SDR nie jest wymagany dodatkowy tłumik sygnału.
4) Dodano proste układy monitorujące stan baterii oparte o tranzystor BC546 oraz diody zabezpieczające przed niewłaściwą polaryzacją. W przypadku obniżenia napięcia zasilania poniżej 8,11V kolor diod LED D3/D4 zmienia się z zielonego na czerwony. Wykorzystany układ monitorujący jest modyfikacją rozwiązania opisanego przez Einara Abella na portalu EDN [9].
5) Przy użyciu układu wirtualnej masy TLE2426 wprowadzono możliwość zasilania układu przedwzmacniacza z zasilacza prądu stałego (12-18V). Należy zaznaczyć, że testowane zasilacze impulsowe wprowadzały zbyt wysoki poziom zakłóceń. Zasilanie z laboratoryjnego zasilacza transformatorowego nie powodowało mierzalnego wzrostu poziomu zakłóceń w porównaniu z zasilaniem bateryjnym.
6) Dodano przełącznik wyboru pasma przenoszenia obwodu wejściowego pomiędzy zakresami SAQ (pozycja środkowa przełącznika) oraz sygnałów synchronizacji czasu DCF-77 (77.5kHz) i NPL(60kHz). Dla sygnałów synchronizacji czasu należy liczyć się z koniecznością doboru pojemności C11/C12 (NPL) oraz C2 (DCF-77) w zależności od poziomu pojemności pasożytniczych występujących w obwodzie wejściowym przedwzmacniacza.

Fot. 5. Konstrukcja mechaniczna układu przedwzmacniacza
Intuicja sugeruje, że przedwzmacniacz powinien być umieszczony możliwie najbliżej anteny i połączony z nią jak najkrótszym przewodem. W przeprowadzonych przeze mnie testach długość przewodu łączącego antenę z przedwzmacniaczem, jak również odległość samego przedwzmacniacza od anteny, nie miały jednak zauważalnego wpływu na jakość odbioru.
Strojenie przedwzmacniacza
Do zestrojenia wzmacniacza na częstotliwość SAQ 17,2 kHz nie jest wymagane użycie specjalistycznej aparatury pomiarowej. Oczywiście możliwe jest wykorzystanie generatora funkcyjnego oraz oscyloskopu, jednak wystarczającą dokładność zapewnia obserwacja poziomu wzmocnienia szumów tła pochodzących z wejścia przedwzmacniacza pozostawionego bez podłączonej anteny. Jeżeli maksimum poziomu szumów występuje w pobliżu częstotliwości SAQ, można uznać, że układ został prawidłowo zestrojony. Należy przy tym uwzględnić, że obwód rezonansowy charakteryzuje się stosunkowo wąskim pasmem przenoszenia — w przedstawionej implementacji wynoszącym około 210 Hz — co wymaga dość precyzyjnego dostrojenia układu.
W przypadku strojenia przy użyciu generatora funkcyjnego należy pamiętać o właściwym odseparowaniu generatora od układu przedwzmacniacza, aby w trakcie strojenia częstotliwość rezonansu nie uległa zmianie w wyniku przełączania źródła sygnału pomiędzy generatorem a anteną. Dobrym rozwiązaniem jest użycie krótkiej anteny podłączonej do wyjścia generatora (dwa niepołączone ze sobą kable o długości ok. 10-15cm, generator musi znajdować się w pobliżu przedwzmacniacza) lub przyłączenie generatora do układu przedwzmacniacza przez rezystor o dużej oporności np. 100 kiloomów.

Fot. 6. Widmo sygnału na wyjściu przedwzmacniacza z odłączoną anteną
Parametry przedwzmacniacza

Fot. 7. Pasmo przenoszenia przedwzmacniacza wyznaczone na podstawie rzeczywistych danych pomiarowych

Fot. 8. Oszacowanie wzmocnienia układu w obszarze rezonansu obwodów wejściowych
Jak można zauważyć w oparciu o powyższe ilustracje, wzmacniacz nie wprowadza tłumienia, poza pasmem przenoszenia obwodu rezonansowego, co umożliwia odbiór stacji innych niż SAQ nadających na częstotliwościach nawet z zakresu fal długich. Prezentowany układ pozwolił np. na stabilny odbiór sygnałów synchronizacji czasu NPL (60 kHz) oraz DCF-77 (77.5 kHz). W tej samej lokalizacji odbiór tych sygnałów był bardzo niestabilny, a często nawet niemożliwy przy użyciu anteny typu miniwhip czy „random wire” (w tym konkretnym przypadku długość elementu odbiorczego wynosiła ok. 13m).
Potencjalne źródła problemów na etapie uruchamiania układu
1) Brak kondensatorów odsprzęgających w torze zasilania może prowadzić do wzbudzania się wzmacniaczy operacyjnych, a w skrajnych przypadkach do ich uszkodzenia wskutek nadmiernego nagrzewania. Zjawisko to może występować poza zakresem częstotliwości VLF i pozostawać niewidoczne zarówno na oscyloskopie, jak i na wodospadzie odbiornika SDR skonfigurowanego do monitorowania pasma VLF (w ten sposób utraciłem jeden z układów na kilka dni przed planowaną emisją).
2) Bezpośrednie przyłączenie generatora funkcyjnego do układu wejściowego przedwzmacniacza powoduje zmianę charakterystyki obwodu, a w konsekwencji przesunięcie częstotliwości rezonansowej względem sytuacji, w której uzwojenie pierwotne obciążone jest anteną. W celu wyeliminowania tego efektu podczas testów sygnał SAQ symulowano nośną z generatora, do którego wyjścia dołączono krótki przewód pełniący rolę prostej anteny. Poziom sygnału generatora ustawiono na wartość maksymalną, a samo urządzenie umieszczono w bezpośrednim sąsiedztwie przedwzmacniacza.
Oprogramowanie
Układ przedwzmacniacza może współpracować zarówno z kartą dźwiękową PC jak też odbiornikiem SDR zdolnym do odbioru sygnałów w zakresie VLF (np. z modułem RSP1A firmy SDRPlay). W przypadku odbioru z wykorzystaniem karty dźwiękowej bardzo dobrze sprawdziło się oprogramowanie SAQrx dostępne na stronie Towarzystwa Przyjaciół Grimeton SAQ [1]:

Fot. 9. Odbiór sygnałów VLF przy pomocy programu SAQrx (wyjście przedwzmacniacza jest podłączone do wejścia liniowego karty dźwiękowej komputera)

Fot. 10. Odbiór sygnałów VLF przy pomocy programu Spectrum Lab (wyjście przedwzmacniacza jest podłączone do wejścia liniowego karty dźwiękowej komputera)
Zaletą pakietu Spectrum Lab jest dostępność funkcji wodospadu.
W przypadku odbioru z wykorzystaniem układu SDR wybór oprogramowania jest bardzo zależny od wykorzystywanej platformy sprzętowej. W przypadku RSP1A, najlepszym wyborem wydaje się oprogramowanie rozwijane przez dostawcę sprzętu czyli program SDRUno.

Fot. 11. Odbiór sygnałów VLF przy pomocy programu SDRUno (wyjście przedwzmacniacza jest podłączone do wejścia antenowego odbiornika SDR RSP1A firmy SDRPlay
Jeśli zależy nam na maksymalnym obniżeniu poziomu zakłóceń w miejscu odbioru, wówczas należałoby rozważyć zastąpienie komputera PC oraz odbiornika SDR dobrej jakości dyktafonem z wejściem liniowym oraz wysoką częstotliwością próbkowania takim jak np.: Zoom H1 Essential [10]. W takiej sytuacji wskazany jest również odbiór z obszaru o niskim poziomie zakłóceń.
Podsumowanie
Po roku przygotowań udało się odebrać sygnał stacji SAQ Grimeton. Oprócz samej satysfakcji z odbioru, projekt ten umożliwił mi zdobycie cennego doświadczenia oraz wymianę wiedzy z innymi pasjonatami fal bardzo długich.

Fot. 11. Odebrany sygnał SAQ 17.2 kHz zobrazowany w programie Spectrum Lab
Ze względu na regularne emisje stacji SAQ oraz możliwość całorocznych nasłuchów w paśmie 10–250 kHz, opisane rozwiązanie może stanowić dobrą bazę do dalszych eksperymentów.
Andrzej SP5GW
Źródła
[1] Towarzystwo Przyjaciół Grimeton SAQ, https://alexander.n.se/
[2] Antena miniwhip, https://github.com/SP5GW/MiniWhip_Antenna
[3] SDR Play, https://www.sdrplay.com/
[4] Oprogramowanie Spectrum lab autorstwa Wolfganga Bueschera, DL4YHF https://www.qsl.net/dl4yhf/spectra1.html
[5] Ustawienia programu Spectrum Lab dla SAQ https://www.qsl.net/dl4yhf/speclab/vlf_rcvr.htm
[6] Opis przedwzmacniacza VLF, https://alexander.n.se/en/the-radio-station-saq-grimeton/lyssna-pa-saq/
[7] Opis działania anteny pętlowej autorstwa Williama E. Paynea, N4YWK, http://www.vlf.it/octoloop/rlt-n4ywk.htm
[8] Portal dla entuzjastów VLF, http://www.vlf.it/
[9] Układ monitorowania zasilania, Einar Abell, EDN 2 Marca 2015, https://www.edn.com/voltage-indicator-transitions-between-colours/
[10] Strona producenta cyfrowego dyktafonu Zoom H1E Essential, https://www.zoom-europe.com/pl/podreczne-dyktafony/zoom-h1e
[11] Uchwyty kablowe Diall typu STM 4,8 mm wykorzystane jako mocowanie transformatora wejściowego przedwzmacniacza oraz cewki anteny pętlowej , https://www.castorama.pl/
[12] Portal umożliwiający odszukanie koordynat danej lokalizacji, https://www.gps-coordinates.net/
[13] Portal umożliwiający generowanie map azymutowych autorstwa Thomasa Epperly, NS6T, https://ns6t.net/azimuth/
[14] Nota katalogowa układu AD8397 oraz model LTSpice, https://www.analog.com/en/products/ad8397.html
[15] Praktyczny opis budowy strojonej anteny magnetycznej, Loop Antenna for Very Low Frequency – PhysicsOpenLab

Skomentuj